新疆维吾尔自治区医疗保障局
政府信息公开
医保政策
规划财务
待遇保障
医药服务管理
医药价格
药品耗材招采
基金监管
医保经办
标准化信息化
医疗服务价格项目
政策解读
政府信息公开指南
政府信息公开制度
法定主动公开内容
机构简介
医保发展规划
行政许可行政事业性收费
行政处罚行政强制
财政预算决算
政府采购
重大建设项目
权责清单
下载中心
人大代表建议政协委员提案
人事信息
统计信息
基本医保
生育保险
其他对外管理服务事项办理结果
公示专栏
政府信息公开年报
依申请公开
索引号:MB1520665/2026-00053
发文字号:〔2026〕号
公文种类:报告
发文机关:
成文日期:
2026-04-01 18:04
主题分类:主动公开
有效性: 有效
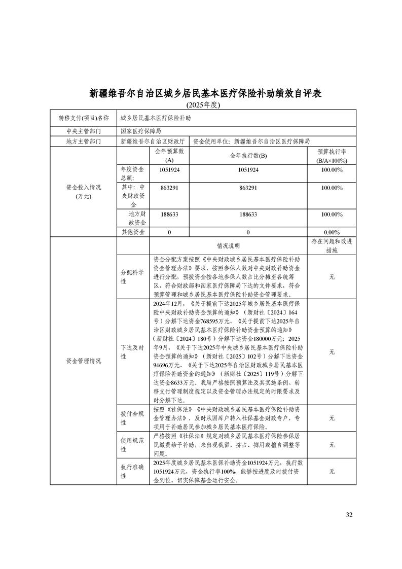
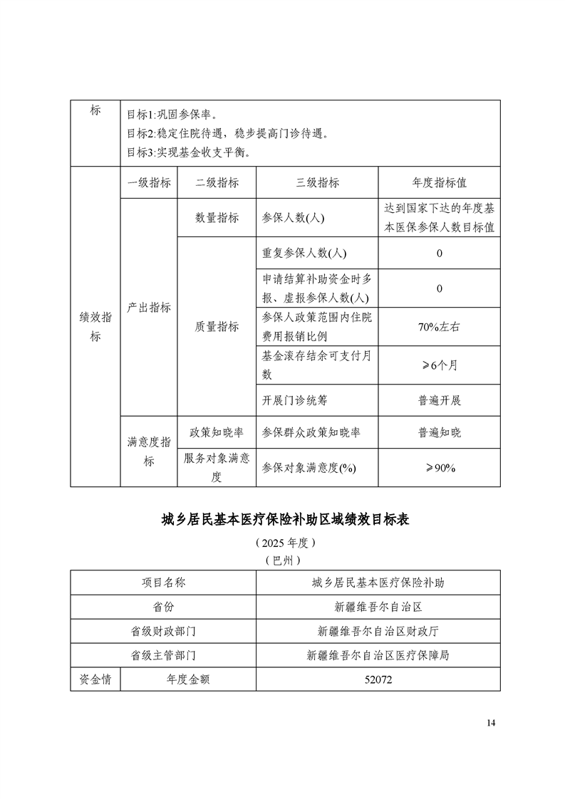
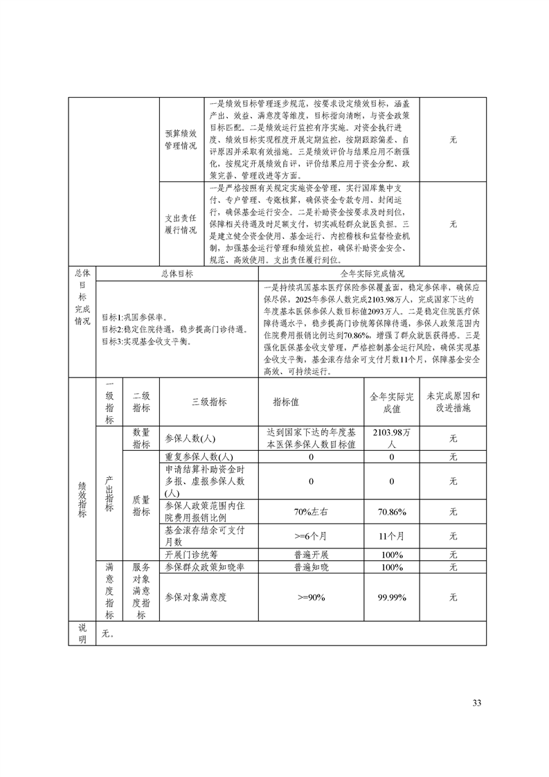
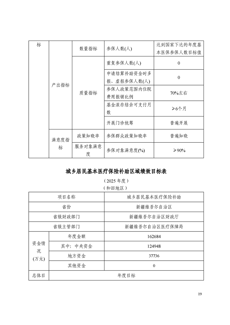
新疆维吾尔自治区城乡居民基本医保补助 转移支付资金2025年度绩效自评报告
发布时间:2026-04-01 浏览次数:
【字体:
大
中
小
】
相关附件:
相关链接:
扫一扫在手机打开当前页
主办:
新疆维吾尔自治区医疗保障局
承办:
新疆维吾尔自治区医疗保障局办公室
地址:
天山区和平南路137号
业务电话:
0991-7610999
工作时间:
夏季(当年5月1日至9月30日)上午10:00-14:00 下午16:00-20:00
冬季(当年10月1日至次年4月30日)上午10:00-14:00 下午15:30-19:30
ICP备案号:
新ICP备20000310号
政府网站标识码:
6500000090
公安机关备案号:
65010202001232号
网站声明
网站地图
联系我们
网站统计
< img src="//www.xinjiang.gov.cn/phpstat/count/10000001/10000001.php" alt="PHPStat Analytics" />
政策法规